Si necesita ayuda, no dude en contactarnos.
Si tiene alguna pregunta adicional, por favor llame al +86-021-37566990 o complete el formulario de consulta.
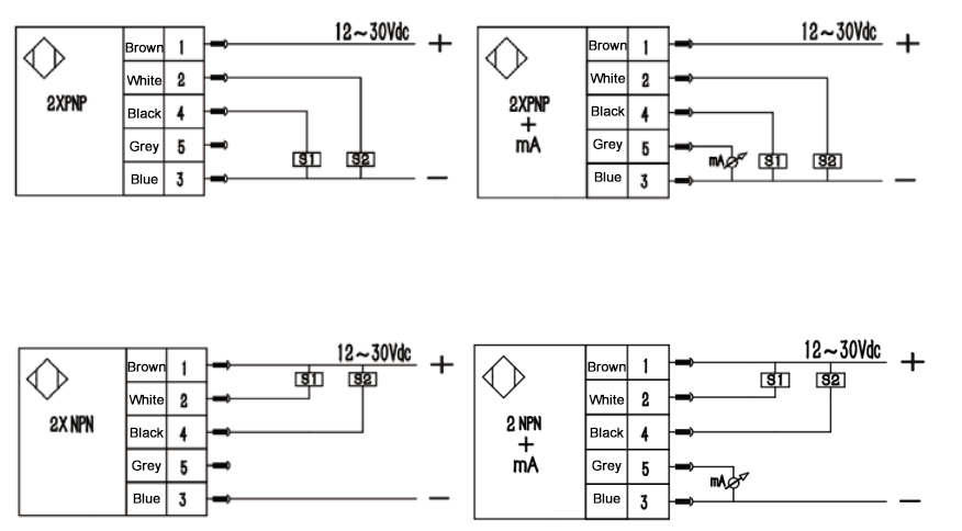
Obtenga cuponesEl sensor de caudal de rueda de la serie SN51D, un interruptor de caudal inteligente, es un sensor compacto, de dimensiones reducidas y fácil de instalar. Incorpora circuitos inteligentes que permiten configurar los límites de caudal (máximo y mínimo) para la activación de la alarma. Además, permite la monitorización remota del caudal en tiempo real y la configuración de todos los parámetros directamente en el dispositivo. El sensor mide el caudal mediante un impulsor, y su circuito inteligente procesa la información y permite una programación flexible. Salida de pulso tipo Hall, con tecnología PNP/NPN de colector abierto y alta capacidad de conducción.
- Alta resistencia química
- Protección IP65, apto para entornos industriales exigentes
- Diseño enchufable para una instalación sencilla
- Gran estabilidad y resistencia a interferencias
- Alta fiabilidad y funcionamiento sin mantenimiento
| Diámetro nominal DN (mm) |
Rango de caudal (m3/H) | G Rosca externa |
G Rosca externa |
|||||
| límite inferior | límite | límite inferior | límite | límite inferior | límite | |||
| 10 | 0.2 | 1.2 | G3/8 | G1/2 | ||||
| 15 | 0.6 | 4 | 0.6 | 6 | G1/2 | G1 | ||
| 20 | 0.8 | 8 | G3/4 | G1 | ||||
| 25 | 1.6 | 10 | 1 | 10 | G1 | G1-1/4 | ||
| 32 | 1.5 | 15 | G3/8 | G1-1/2 | ||||
| Rango de caudal | 0,15~6 m/s | ||||||||||||||||||
| Rango de diámetro de tubería | DN10-DN32 | ||||||||||||||||||
| Voltaje de suministro | CC 5 ~ 24 V | ||||||||||||||||||
| Precisión de repetibilidad/precisión de linealidad | Repetir ±0,5 % Leer pantalla 1,5 % | ||||||||||||||||||
| Temperatura Presión | Cuerpo de PP | 12,5 bar a 25 ℃ 1,7 bar a 90 ℃ Cuerpo de PVDF 14,0 bar a 25 ℃ 1,7 bar a 100 ℃ |
|||||||||||||||||
| Cuerpo de PVDF | 14,0 bar a 25 ℃ 1,7 bar a 100 ℃ | ||||||||||||||||||
| Componentes de sobrecorriente | Cuerpo del sensor | POM/Aluminio/acero inoxidable/PP/PVC/PVDF | |||||||||||||||||
| Junta tórica | FPM/EPDM | ||||||||||||||||||
| impulsores | PVDF | ||||||||||||||||||
| Cojinetes/Ejes | La oxidación a alta temperatura ataca al ZrO2 (cerámica) | ||||||||||||||||||

[gallery ids="3099"]

| SN51D- | 1 | P | A... | A | 1 | A | Descripción detallada | ||||||||||||
| SN51D- | Sensor SN51D | ||||||||||||||||||
| A | Diámetro de la tubería: DN10 | ||||||||||||||||||
| B | Diámetro de la tubería: DN15 | ||||||||||||||||||
| C | Diámetro de la tubería: DN20 | ||||||||||||||||||
| D | Diámetro de la tubería: DN25 | ||||||||||||||||||
| E | Diámetro de la tubería: DN32 | ||||||||||||||||||
| DN. . . | Especifique el diámetro de la tubería al realizar el pedido. | ||||||||||||||||||
| P | Salida PNP | ||||||||||||||||||
| N | Salida NPN | ||||||||||||||||||
| 1 | Conexión de rosca hembra | ||||||||||||||||||
| 2 | Conexión de rosca externa | ||||||||||||||||||
| A | Material del impulsor: PVDF | ||||||||||||||||||
| 1 | Material del cuerpo: POM | ||||||||||||||||||
| 2 | Material del cuerpo: Aluminio | ||||||||||||||||||
| 3 | Material del cuerpo: PVC | ||||||||||||||||||
| 4 | Material del cuerpo: acero inoxidable | ||||||||||||||||||
| 5 | Material del cuerpo: PDF | ||||||||||||||||||
| A | Eje: ZrO2 | ||||||||||||||||||
| 1 | Dos salidas de conmutación | ||||||||||||||||||
| 2 | Dos salidas conmutadas + analógicas 4-20 mA | ||||||||||||||||||
| 3 | Dos salidas de conmutación y pulsos. | ||||||||||||||||||
| * Es una buena idea estar en un entorno solitario de jugador y es una buena idea tener una experiencia similar. | |||||||||||||||||||
Hebei Source Goods Technology Co., Ltd. es una empresa especializada en la producción e investigación y desarrollo (I+D) de sensores y controladores de fluidos industriales. Nuestros productos principales incluyen interruptores y sensores para medición de flujo, presión, temperatura y nivel de líquidos.
En el año 2008, establecimos nuestra planta de ensamblaje en Shanghái, China, para fabricar la serie de productos de PAKU. Adoptamos tecnología avanzada y procesos de fabricación modernos en todas nuestras operaciones. Gracias a nuestra tecnología de diseño y producción profesional, completa gama de productos, excelente calidad y red de servicios de ventas, podemos ofrecer a los usuarios no solo soporte técnico profesional y oportuno, sino también servicios integrales de alta calidad.
La empresa ha establecido diversos departamentos, como compras, I+D, gestión de calidad, finanzas, ventas, servicio postventa, oficina general, laboratorio, sala de archivo, taller de calibración, taller de producción, área de inspección, zona de almacenamiento, área de envío y una sala de descanso para tomar té, con el objetivo de proporcionar productos de excelente calidad y servicios sinceros.
Adherimos al concepto centrado en el cliente de crear valor para los mismos. De acuerdo con las necesidades del sector industrial de nuestros clientes, actualizamos continuamente nuestra tecnología y optimizamos nuestros servicios, con la visión de convertirnos en líderes en el campo de la automatización de procesos.
Los productos de PAKU se utilizan ampliamente en diversas industrias, incluyendo equipos completos de automatización, equipos petroleros, equipos químicos, equipos eléctricos, equipos de soldadura, equipos siderúrgicos, equipos metalúrgicos, industria automotriz y tratamiento de aguas. Hemos servido a numerosos clientes tanto nacionales como internacionales, y nuestros productos se exportan a países como Canadá, Estados Unidos, Brasil, Indonesia, Vietnam, Tailandia y Rusia.
En el cada vez más competitivo mercado global del futuro, PAKU continuará sirviendo, como siempre lo ha hecho, a una amplia gama de clientes nacionales e internacionales con calidad excepcional, precios razonables y competitivos, entregas puntuales y un servicio postventa perfecto. Damos la bienvenida a una amplia cooperación con clientes OEM (fabricantes de equipos originales) y ODM (fabricantes de diseño original).