Si necesita ayuda, no dude en contactarnos.
Si tiene alguna pregunta adicional, por favor llame al +86-021-37566990 o complete el formulario de consulta.
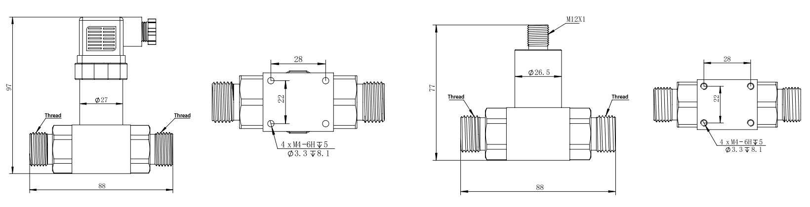
Obtenga cuponesEl transmisor de presión diferencial compacto de la serie PN51 consta de un sensor de presión diferencial con doble aislamiento y un circuito amplificador integrado, lo que ofrece alta estabilidad y un excelente rendimiento de medición dinámica. Está equipado con un microprocesador de alto rendimiento que realiza la compensación no lineal y de la deriva de temperatura en el sensor, lo que permite la transmisión precisa de datos digitales, el diagnóstico de dispositivos de campo y la comunicación bidireccional remota. Esto lo hace ideal para la medición y el control de líquidos y gases.
Con una amplia gama de rangos de medición seleccionables, el transmisor PN51 puede satisfacer las diversas necesidades de los usuarios y es ampliamente utilizado en metalurgia, maquinaria, petróleo, ingeniería química, plantas de energía, industria ligera, alimentos, protección del medio ambiente, defensa nacional e investigación científica.
Principio de funcionamiento:
La presión del proceso se aplica al sensor, que emite una señal de voltaje proporcional a la presión. Esta señal se amplifica y se convierte en una señal de corriente estándar de 4-20 mA. El transmisor incluye un circuito de protección de la fuente de alimentación y un preciso circuito de compensación de temperatura para garantizar un funcionamiento estable.
|
Rango de medición |
0...0,2 bar a 0...35 bar |
|
Exactitud |
±0,5% |
|
Fuente de alimentación |
24 VCC (10-30) VCC |
|
Señal de salida |
4-20 mA CC |
|
Estabilidad a largo plazo |
≤ ±0,2 % FS/año |
|
Presión de sobrecarga |
≤ 3x presión nominal |
|
Temperatura de funcionamiento |
(-20~80) ℃ |
|
Tamaño de la interfaz |
Personalizable |


|
PN51- |
... |
A |
G4 |
H |
1 |
Descripción detallada |
|
PN51- |
|
|
|
|
|
Transmisor de presión diferencial compacto serie PN51 |
|
|
... |
|
|
|
|
Rango de medición: 0...0,2 bar a 0...35 bar (personalizable por el usuario) |
|
|
|
A |
|
|
|
Salida: 4-20 mA |
|
|
|
B |
|
|
|
Salida: 0-5 V |
|
|
|
C |
|
|
|
Salida: 1-5 V |
|
|
|
D |
|
|
|
Salida: 0-10 V |
|
|
|
|
G4 |
|
|
Interfaz de rosca: G1/4 |
|
|
|
|
G2 |
|
|
Interfaz de rosca: G1/2 |
|
|
|
|
N4 |
|
|
Interfaz de rosca: NPT1/4 |
|
|
|
|
|
H |
|
Conexión de rosca externa |
|
|
|
|
|
K |
|
Conexión de rosca interna |
|
|
|
|
|
|
1 |
Conector Hirschmann |
|
|
|
|
|
|
2 |
Conector M12*1 |
|
Nota: La tabla de selección es solo para la configuración de parámetros. El producto final se fabrica según el código seleccionado. |
||||||
El transmisor es compacto y ligero, y puede instalarse directamente en el punto de medición. Asegúrese de sellar los puertos de presión para evitar fugas de aire que puedan afectar la precisión.
Un cableado correcto, según las especificaciones, permitirá que el transmisor funcione de inmediato. Para aplicaciones de alta precisión, deje que el dispositivo se caliente durante 30 minutos antes de usarlo.
Se recomienda instalar una válvula de dos vías en el punto de medición para evitar una presión estática excesiva en ambos lados del transmisor.
Utilice el transmisor únicamente con gases o líquidos que no sean corrosivos para el diafragma de acero inoxidable 316L.
Siga estrictamente las instrucciones de cableado para garantizar un funcionamiento adecuado.
En entornos con fuertes interferencias electromagnéticas o requisitos de alto rendimiento, utilice cables blindados.
Hebei Source Goods Technology Co., Ltd. es una empresa especializada en la producción e investigación y desarrollo (I+D) de sensores y controladores de fluidos industriales. Nuestros productos principales incluyen interruptores y sensores para medición de flujo, presión, temperatura y nivel de líquidos.
En el año 2008, establecimos nuestra planta de ensamblaje en Shanghái, China, para fabricar la serie de productos de PAKU. Adoptamos tecnología avanzada y procesos de fabricación modernos en todas nuestras operaciones. Gracias a nuestra tecnología de diseño y producción profesional, completa gama de productos, excelente calidad y red de servicios de ventas, podemos ofrecer a los usuarios no solo soporte técnico profesional y oportuno, sino también servicios integrales de alta calidad.
La empresa ha establecido diversos departamentos, como compras, I+D, gestión de calidad, finanzas, ventas, servicio postventa, oficina general, laboratorio, sala de archivo, taller de calibración, taller de producción, área de inspección, zona de almacenamiento, área de envío y una sala de descanso para tomar té, con el objetivo de proporcionar productos de excelente calidad y servicios sinceros.
Adherimos al concepto centrado en el cliente de crear valor para los mismos. De acuerdo con las necesidades del sector industrial de nuestros clientes, actualizamos continuamente nuestra tecnología y optimizamos nuestros servicios, con la visión de convertirnos en líderes en el campo de la automatización de procesos.
Los productos de PAKU se utilizan ampliamente en diversas industrias, incluyendo equipos completos de automatización, equipos petroleros, equipos químicos, equipos eléctricos, equipos de soldadura, equipos siderúrgicos, equipos metalúrgicos, industria automotriz y tratamiento de aguas. Hemos servido a numerosos clientes tanto nacionales como internacionales, y nuestros productos se exportan a países como Canadá, Estados Unidos, Brasil, Indonesia, Vietnam, Tailandia y Rusia.
En el cada vez más competitivo mercado global del futuro, PAKU continuará sirviendo, como siempre lo ha hecho, a una amplia gama de clientes nacionales e internacionales con calidad excepcional, precios razonables y competitivos, entregas puntuales y un servicio postventa perfecto. Damos la bienvenida a una amplia cooperación con clientes OEM (fabricantes de equipos originales) y ODM (fabricantes de diseño original).