Si necesita ayuda, no dude en contactarnos.
Si tiene alguna pregunta adicional, por favor llame al +86-021-37566990 o complete el formulario de consulta.
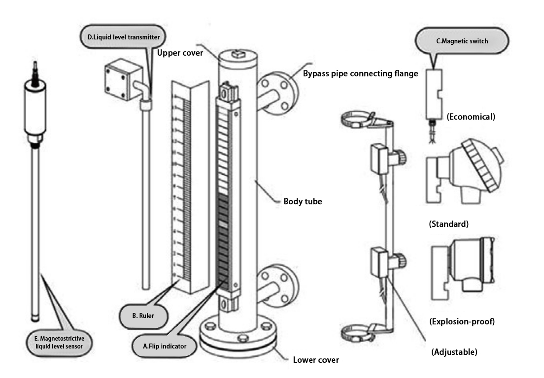
Obtenga cuponesEl indicador de nivel magnético de la serie LF800 consta de un cuerpo principal, un panel de visualización de aletas (compuesto por aletas magnéticas rojas y blancas), un flotador, cubiertas de brida, etc. Se utiliza para la medición del nivel de líquidos en diversos tipos de contenedores. Es adecuado para aplicaciones en entornos de alta temperatura, a prueba de explosiones y resistentes a la corrosión, así como en la industria alimentaria y de bebidas, y permite la indicación y el control de nivel tanto local como remoto.
El LF800 ofrece un alto sellado, un rendimiento a prueba de fugas y una medición de nivel fiable en condiciones de alta temperatura, alta presión, alta viscosidad y alta corrosión. Ofrece medición de rango completo sin zonas muertas, una pantalla clara y lecturas intuitivas. Con una alarma de nivel y un interruptor de control opcionales, puede proporcionar alarmas y controles de límite superior e inferior. Equipado con un transmisor de nivel, convierte la señal de nivel/interfaz en una señal estándar de 2 hilos de 4-20 mA CC, lo que permite la monitorización, indicación, registro y control remotos.
Los indicadores de la serie LF800 se instalan con tubo de derivación, ya sea superior o lateral. El cuerpo principal está equipado con una pantalla magnética, un interruptor de nivel y un transmisor de nivel. La unidad magnética se coloca dentro del flotador o se conecta a él mediante una varilla. A medida que el flotador se mueve con el nivel del líquido, gira las aletas magnéticas de la pantalla. El interruptor de nivel se activa en los puntos de nivel correspondientes, mientras que el sensor de nivel emite una señal de resistencia influenciada por el campo magnético del flotador. Esta señal de resistencia es convertida por un transmisor en una señal de corriente de 4-20 mA.
Rango de medición: 150–8000 mm
Presión de trabajo: Atmosférica; 1,6 MPa; 4,0 MPa; 6,4 MPa; 10 MPa
Tipo de conexión: Brida o roscada
Material del cuerpo: acero inoxidable 304
Material de la solapa: aleación de aluminio
Densidad media: 0,8–1,0 g/cm³
Viscosidad media: ≤ 0,4 Pa·s
Temperatura de funcionamiento: -20 a 80°C
Temperatura media: -20 a 100°C
Adecuado para la medición de nivel de una amplia gama de líquidos; varias opciones de instalación
El medio de medición está completamente aislado del mecanismo de visualización; excelente sellado y prevención de fugas.
Capaz de realizar mediciones de alta presión y alta temperatura con alta confiabilidad.
Pantalla local integrada, transmisión remota e interruptor de control de alarma, totalmente ajustable
Tira de visualización luminosa bicolor para una indicación clara, continua y directa en un amplio rango; dirección de visualización ajustable
Fuerte rendimiento antivibración para entornos con niveles fluctuantes
Estructura simple, fácil instalación y bajos costos de mantenimiento.



Hebei Source Goods Technology Co., Ltd. es una empresa especializada en la producción e investigación y desarrollo (I+D) de sensores y controladores de fluidos industriales. Nuestros productos principales incluyen interruptores y sensores para medición de flujo, presión, temperatura y nivel de líquidos.
En el año 2008, establecimos nuestra planta de ensamblaje en Shanghái, China, para fabricar la serie de productos de PAKU. Adoptamos tecnología avanzada y procesos de fabricación modernos en todas nuestras operaciones. Gracias a nuestra tecnología de diseño y producción profesional, completa gama de productos, excelente calidad y red de servicios de ventas, podemos ofrecer a los usuarios no solo soporte técnico profesional y oportuno, sino también servicios integrales de alta calidad.
La empresa ha establecido diversos departamentos, como compras, I+D, gestión de calidad, finanzas, ventas, servicio postventa, oficina general, laboratorio, sala de archivo, taller de calibración, taller de producción, área de inspección, zona de almacenamiento, área de envío y una sala de descanso para tomar té, con el objetivo de proporcionar productos de excelente calidad y servicios sinceros.
Adherimos al concepto centrado en el cliente de crear valor para los mismos. De acuerdo con las necesidades del sector industrial de nuestros clientes, actualizamos continuamente nuestra tecnología y optimizamos nuestros servicios, con la visión de convertirnos en líderes en el campo de la automatización de procesos.
Los productos de PAKU se utilizan ampliamente en diversas industrias, incluyendo equipos completos de automatización, equipos petroleros, equipos químicos, equipos eléctricos, equipos de soldadura, equipos siderúrgicos, equipos metalúrgicos, industria automotriz y tratamiento de aguas. Hemos servido a numerosos clientes tanto nacionales como internacionales, y nuestros productos se exportan a países como Canadá, Estados Unidos, Brasil, Indonesia, Vietnam, Tailandia y Rusia.
En el cada vez más competitivo mercado global del futuro, PAKU continuará sirviendo, como siempre lo ha hecho, a una amplia gama de clientes nacionales e internacionales con calidad excepcional, precios razonables y competitivos, entregas puntuales y un servicio postventa perfecto. Damos la bienvenida a una amplia cooperación con clientes OEM (fabricantes de equipos originales) y ODM (fabricantes de diseño original).