Si necesita ayuda, no dude en contactarnos.
Si tiene alguna pregunta adicional, por favor llame al +86-021-37566990 o complete el formulario de consulta.
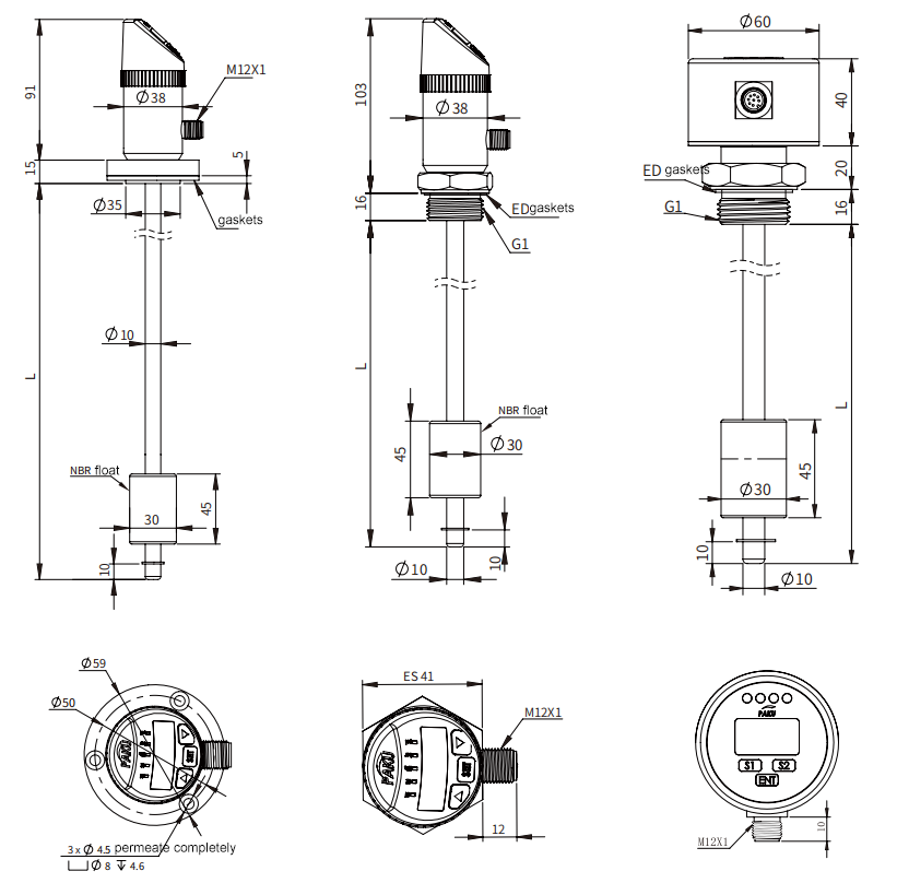
Obtenga cuponesEl sensor de alta precisión de la serie LF60G mide la temperatura. La señal es procesada por el circuito trasero y convertida en una señal eléctrica industrial estándar con pantalla.
Bajo la flotabilidad del líquido, el flotador se mueve hacia arriba y hacia abajo a lo largo de la varilla guía, activando continuamente los interruptores magnéticos dentro de esta. Los interruptores magnéticos controlan el número de resistencias conectadas o desconectadas, convirtiendo las variaciones del nivel del líquido en variaciones de resistencia. El valor de la resistencia es procesado por el circuito trasero y convertido en una señal eléctrica industrial estándar con pantalla.
Diseño de carcasa totalmente metálica.
Utiliza una pantalla digital LED de alto brillo, lo que permite su uso en diversas aplicaciones industriales.
El diseño de doble botón y el menú intuitivo facilitan el manejo del producto.
Las múltiples opciones de conexión satisfacen plenamente las diversas necesidades de instalación.
El cabezal de pantalla giratorio de 330° garantiza el mejor ángulo de visión en diferentes métodos de instalación.
Los cabezales de control de doble pantalla permiten la visualización y monitorización simultáneas de la temperatura y el nivel del líquido. Los puntos de alarma del interruptor se pueden configurar libremente dentro del rango; salida analógica independiente.
Rango de medición: definido por el usuario
Medio medido: líquidos corrosivos compatibles con acero inoxidable 304
Resistencia a la presión: 50 bar
Densidad del medio: ≥0,7 g/cm³
Voltaje de suministro de energía: 12...30 Vcc
Consumo de corriente sin carga: máximo 30 mA con suministro de 24 Vcc
Salida del interruptor: Tipos de salida: PNP, NPN, seleccionable normalmente abierto o normalmente cerrado, puede configurar S1, S2; Salida de corriente: <500 mA
Tiempo de respuesta: <10 ms
Precisión de temperatura: ≤±0,5 % de escala completa
Salida analógica de tipo corriente: ≤±0,5 % de escala completa
Tipo de salida: 4...20 mA configurable
Carga RA: ≤0,5 KΩ
Linealidad: ≤1,5 % de escala completa
Protección de cableado: Polaridad inversa, sobrecarga, protección contra cortocircuito
Pantalla: Diseño: LED rojo de 4 dígitos de 8 mm de alto brillo
Rango de visualización: 999...9999
Resolución: 5 mm, 10 mm
Estabilidad (deriva anual): ≤±0,3 % de escala completa
Temperatura:
Temperatura del medio: -20...80 ℃ (rangos especiales personalizables)
Temperatura ambiente: -20...80 ℃
Temperatura de almacenamiento: -30...80 ℃
Materiales:
Carcasa del cabezal de visualización: Plástico de ingeniería
Cuerpo: Acero inoxidable 304
Piezas de contacto del medio: Acero inoxidable 304
Flotador: Acero inoxidable 304 o NBR (personalizable)
Nivel de protección: IP67
Cable de salida: Conector M12x1
Plantas de energía alimentaria/farmacéutica,
petroquímica
, pulpa/papel,
tratamiento de agua,
calderas



| LF60G- | A | P | A | A | 1 | S | L | B | Detalles | |||||||||||||||||||||||||||
| LF60G- | Sensor de nivel de líquido y temperatura con pantalla integrada serie LF60G | |||||||||||||||||||||||||||||||||||
| A | 2 salidas de interruptor de nivel de líquido + 2 salidas de interruptor de temperatura | |||||||||||||||||||||||||||||||||||
| B | 2 salidas de interruptor de nivel de líquido + 2 salidas de interruptor de temperatura + 1 salida analógica de nivel de líquido 4-20 mA + 1 salida analógica de temperatura 4-20 mA | |||||||||||||||||||||||||||||||||||
| C | 2 salidas de interruptor de nivel de líquido + 2 salidas de interruptor de temperatura + 1 salida analógica de nivel de líquido 1-5 V + 1 salida analógica de temperatura 1-5 V | |||||||||||||||||||||||||||||||||||
| P | Salida PNP | |||||||||||||||||||||||||||||||||||
| N | Salida NPN | |||||||||||||||||||||||||||||||||||
| A | Rango 0...100℃ | |||||||||||||||||||||||||||||||||||
| B.. | Rango personalizado, p. ej.: -0...120℃, selección: B0...120 | |||||||||||||||||||||||||||||||||||
| A | Modelo A: Conexión de rosca externa G1 | |||||||||||||||||||||||||||||||||||
| B | Modelo B: Conexión de brida | |||||||||||||||||||||||||||||||||||
| C | Modelo C: Conexión de rosca externa G1 | |||||||||||||||||||||||||||||||||||
| Hilos personalizados | ||||||||||||||||||||||||||||||||||||
| L | Longitud del rango: L = mm (unidad) | |||||||||||||||||||||||||||||||||||
| S | Conector M12*1 (cable estándar de 2 m) | |||||||||||||||||||||||||||||||||||
| B | Material del flotador: NBR | |||||||||||||||||||||||||||||||||||
| X | Material del flotador: acero inoxidable 304 (no disponible con salida analógica) | |||||||||||||||||||||||||||||||||||
| G | Material del flotador: Resistente a altas temperaturas. | |||||||||||||||||||||||||||||||||||
| S | Personalización especial (resistente a la corrosión) | |||||||||||||||||||||||||||||||||||
| * La tabla de selección es solo para selección de parámetros; el modelo de fábrica corresponde al modelo de selección codificado. * Los puntos de alarma se mueven electrónicamente hacia la cola del tanque con valores decrecientes. |
||||||||||||||||||||||||||||||||||||
Hebei Source Goods Technology Co., Ltd. es una empresa especializada en la producción e investigación y desarrollo (I+D) de sensores y controladores de fluidos industriales. Nuestros productos principales incluyen interruptores y sensores para medición de flujo, presión, temperatura y nivel de líquidos.
En el año 2008, establecimos nuestra planta de ensamblaje en Shanghái, China, para fabricar la serie de productos de PAKU. Adoptamos tecnología avanzada y procesos de fabricación modernos en todas nuestras operaciones. Gracias a nuestra tecnología de diseño y producción profesional, completa gama de productos, excelente calidad y red de servicios de ventas, podemos ofrecer a los usuarios no solo soporte técnico profesional y oportuno, sino también servicios integrales de alta calidad.
La empresa ha establecido diversos departamentos, como compras, I+D, gestión de calidad, finanzas, ventas, servicio postventa, oficina general, laboratorio, sala de archivo, taller de calibración, taller de producción, área de inspección, zona de almacenamiento, área de envío y una sala de descanso para tomar té, con el objetivo de proporcionar productos de excelente calidad y servicios sinceros.
Adherimos al concepto centrado en el cliente de crear valor para los mismos. De acuerdo con las necesidades del sector industrial de nuestros clientes, actualizamos continuamente nuestra tecnología y optimizamos nuestros servicios, con la visión de convertirnos en líderes en el campo de la automatización de procesos.
Los productos de PAKU se utilizan ampliamente en diversas industrias, incluyendo equipos completos de automatización, equipos petroleros, equipos químicos, equipos eléctricos, equipos de soldadura, equipos siderúrgicos, equipos metalúrgicos, industria automotriz y tratamiento de aguas. Hemos servido a numerosos clientes tanto nacionales como internacionales, y nuestros productos se exportan a países como Canadá, Estados Unidos, Brasil, Indonesia, Vietnam, Tailandia y Rusia.
En el cada vez más competitivo mercado global del futuro, PAKU continuará sirviendo, como siempre lo ha hecho, a una amplia gama de clientes nacionales e internacionales con calidad excepcional, precios razonables y competitivos, entregas puntuales y un servicio postventa perfecto. Damos la bienvenida a una amplia cooperación con clientes OEM (fabricantes de equipos originales) y ODM (fabricantes de diseño original).